ZHM(CM1)系列塑料断路器_塑壳断路器_配电电器_产品中心_suncitygroup太阳集团电气股份有限公司
首页
产品中心
新品推荐
● suncitygroup太阳集团特制系列
● suncitygroup太阳集团绿创系列
● suncitygroup太阳集团超越者系列
工业控制与保护
● 接触器
● 继电器
● 行程/微动/跑偏/拉绳/超速
● 输送机综合智能保护装置
配电电器
● 塑壳断路器
● 塑壳漏电断路器
● 万能式断路
终端电器
● 小型断路器
● 漏电小型断路器
● 家用接触器
电源电器
● 开关电源
● 控制变压器
配件及辅件
● 触头元件
● 线圈
● 辅助开关
关于我们
关于我们
企业品牌
➝
公司简介
➝
企业文化
➝
领导致辞
➝
发展历程
➝
企业荣誉
➝
企业视频
➝
组织机构
➝
研发创新
研发创新
创新文化
➝
应用领域
➝
生产工艺
➝
品质控制
➝
关注动态
关注动态
公司动态
➝
行业资讯
➝
展会信息
➝
客户服务
客户服务
联系我们
➝
售后服务
➝
客户留言
➝
营销网络
➝
样本资料
➝
人才中心
人才中心
人才理念
➝
职位招聘
➝
产品搜索
400-6606-021
产品中心
新品推荐
工业控制与保护
配电电器
终端电器
电源电器
配件及辅件
关于我们
企业品牌
公司简介
企业文化
领导致辞
发展历程
企业荣誉
企业视频
组织机构
研发创新
创新文化
应用领域
生产工艺
品质控制
关注动态
公司动态
行业资讯
展会信息
客户服务
联系我们
售后服务
客户留言
营销网络
样本资料
人才中心
人才理念
职位招聘
☎ 400-6606-021
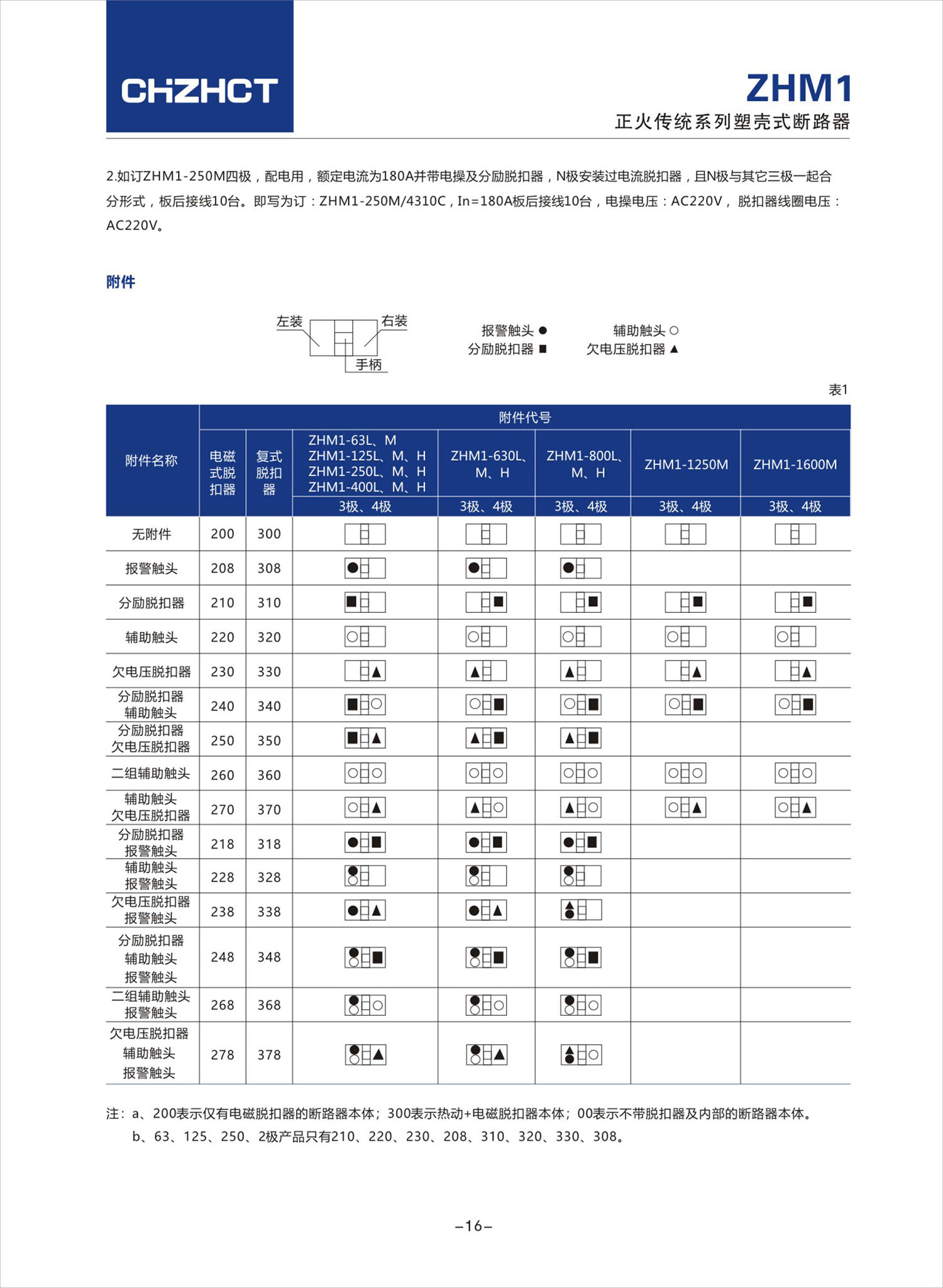
塑壳断路器
网站首页
>
产品中心
>
配电电器
>
塑壳断路器
>
ZHM(CM1)系列塑料断路器
ZHM(CM1)系列塑料断路器
查看更多>>
产品咨询
技术参数
产品说明
产品文档
相关产品
上一个产品:没有了
下一个产品:
ZHM10(DZ10)系列塑料壳断路器
返回列表
产品文档
查看更多
ZHM(CM1)系列塑料断路器产品说明书
下载
相关产品
查看详情 +
ZHM10(DZ10)系列塑料壳断路器
查看详情 +
ZHM20(DZ20)系列塑料壳断路器
请输入您的邮箱,我们将会使用.com邮箱发送给您文档的下载地址
您的邮箱
提交
400-6606-021
客服热线
官方公众号
www@suncitygroup太阳集团.com
客服邮箱